Ten artykuł to kompleksowy przewodnik, który krok po kroku wyjaśni, jak samodzielnie zainstalować domofon. Dowiesz się, jak przeprowadzić montaż w domu jednorodzinnym oraz jak wymienić unifon w bloku, oszczędzając na kosztach i zyskując satysfakcję z wykonanej pracy.
Samodzielny montaż domofonu jest możliwy kompleksowy przewodnik dla domu i bloku
- Samodzielny montaż domofonu jest wykonalny, zwłaszcza przy wymianie unifonu w bloku, wymaga podstawowej wiedzy elektrycznej.
- Instalacja w domu jednorodzinnym to najczęściej montaż od podstaw, w bloku wymiana słuchawki w istniejącym systemie.
- Kluczowe komponenty to kaseta zewnętrzna, unifon, zasilacz (najczęściej 12V AC/DC) oraz elektrozaczep.
- Niezbędne narzędzia to m.in. wkrętaki, ściągacz izolacji, miernik napięcia, wiertarka.
- Najczęstsze problemy po instalacji wynikają z błędnego podłączenia przewodów.
Dom jednorodzinny vs. blok kluczowe różnice w instalacji, które musisz znać
Instalacja domofonu w domu jednorodzinnym i bloku mieszkalnym to dwa odmienne zadania. W przypadku domu jednorodzinnego często mamy do czynienia z montażem systemu od podstaw, na przykład na słupku ogrodzeniowym, co daje nam pełną swobodę w wyborze miejsca i sposobu prowadzenia przewodów. Natomiast w bloku mieszkalnym zazwyczaj proces ten sprowadza się do wymiany istniejącego unifonu w ramach już działającego, często skomplikowanego, wielożyłowego systemu. To kluczowa różnica, która wpływa na stopień trudności i zakres prac. Ja osobiście zawsze wolę mieć pewność, że zaczynam od zera wtedy wiem, co robię. W bloku czasem trzeba się zmierzyć z systemem, którego nikt już nie pamięta, jak był pierwotnie podłączony.
Niezbędnik instalatora: jakie narzędzia i materiały przygotować przed startem?
Zanim przystąpisz do pracy, upewnij się, że masz wszystkie niezbędne narzędzia i materiały. Bez nich montaż może być frustrujący i czasochłonny. Oto lista rzeczy, które warto mieć pod ręką:
- Wkrętaki (płaskie i krzyżakowe) do przykręcania elementów montażowych i przewodów.
- Ściągacz izolacji niezbędny do przygotowania końcówek przewodów.
- Miernik napięcia (multimetr) kluczowy do sprawdzania poprawności podłączenia i bezpieczeństwa pracy.
- Wiertarka z wiertłami do wykonania otworów montażowych w ścianach czy ogrodzeniu.
- Kołki rozporowe do stabilnego mocowania elementów.
- Zaciskarka do konektorów (opcjonalnie, ale przydatna) ułatwia pewne połączenie przewodów.
Zanim kupisz: Jak dobrać odpowiedni domofon do istniejącej instalacji (analogowy vs. cyfrowy)?
Wybór odpowiedniego domofonu to pierwszy i jeden z najważniejszych kroków. Kluczowe jest zrozumienie, z jakim typem instalacji mamy do czynienia. Najczęściej spotykamy analogowe systemy 4, 5 lub 6-żyłowe. Są one powszechne w starszym budownictwie. Nowsze rozwiązania, często określane jako systemy cyfrowe, wykorzystują zazwyczaj tylko 2 żyły. To znacząca różnica, która determinuje, jaki unifon będzie kompatybilny z istniejącą infrastrukturą. Zawsze sprawdzaj schemat podłączenia dostarczony przez producenta i upewnij się, że nowy domofon jest zgodny z systemem, który już posiadasz. Producenci tacy jak Cyfral, Laskomex czy Urmet często stosują swoje specyficzne rozwiązania, dlatego warto trzymać się jednego producenta lub dokładnie weryfikować kompatybilność.
Instalacja domofonu w domu jednorodzinnym przewodnik krok po kroku
Krok 1: Planowanie gdzie umieścić kasetę zewnętrzną i unifon dla maksymalnej wygody?
Przemyślane rozmieszczenie elementów systemu to podstawa komfortowego użytkowania. Kasetę zewnętrzną, czyli bramofon, najlepiej zamontować na wysokości około 150-160 cm od poziomu gruntu. Dzięki temu będzie ona łatwo dostępna dla większości osób, a jednocześnie mniej narażona na przypadkowe uszkodzenia. Unifon wewnątrz domu powinien znaleźć się na wysokości około 140-150 cm. To ergonomiczne umiejscowienie sprawi, że korzystanie z domofonu będzie naturalne i wygodne.Krok 2: Montaż mechaniczny kasety przy furtce o czym pamiętać?
Montaż kasety zewnętrznej wymaga staranności. Po wybraniu odpowiedniego miejsca, zaznacz otwory montażowe. Upewnij się, że powierzchnia jest stabilna. Następnie wywierć otwory i osadź kołki rozporowe. Dopiero wtedy przykręć kasetę. Pamiętaj, aby zamocować ją solidnie chcesz, by przetrwała lata, nawet w trudnych warunkach atmosferycznych. Warto też pomyśleć o jej zabezpieczeniu przed potencjalnymi aktami wandalizmu, jeśli mieszkasz w miejscu, gdzie może to być problemem.
Krok 3: Prowadzenie okablowania od furtki do domu jak zrobić to prawidłowo i bezpiecznie?
To jeden z najbardziej newralgicznych etapów. Okablowanie musi być poprowadzone od kasety zewnętrznej do miejsca, gdzie będzie zamontowany unifon. Kluczowe jest, aby zabezpieczyć przewody przed uszkodzeniami mechanicznymi i wpływem czynników zewnętrznych. Najlepiej użyć do tego peszla lub rurki ochronnej, zwłaszcza jeśli kabel będzie biegł pod ziemią. Dbaj o bezpieczeństwo jeśli nie masz pewności co do prowadzenia instalacji elektrycznej, skonsultuj się z elektrykiem. Prawidłowo zabezpieczone przewody to gwarancja długiej i bezproblemowej pracy systemu.
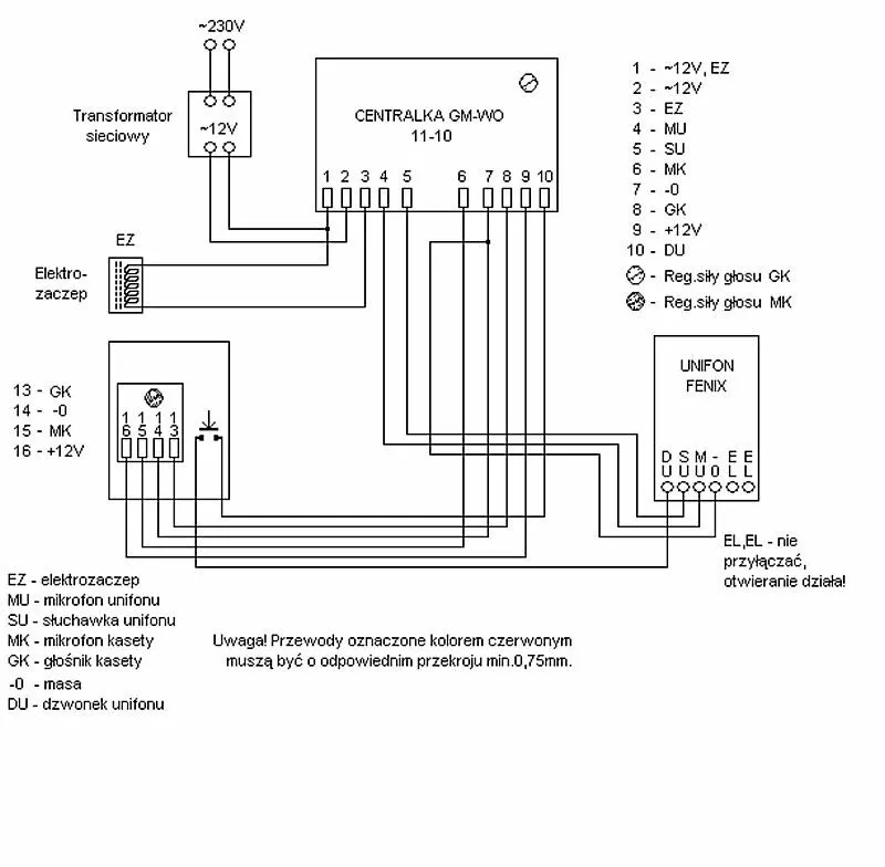
Krok 4: Podłączenie przewodów według schematu rozszyfrowujemy oznaczenia (MIC, SPK, SW, MASS)
Teraz najważniejszy moment podłączenie przewodów. Tutaj nie ma miejsca na improwizację. Musisz ściśle przestrzegać schematu podłączenia dostarczonego przez producenta domofonu. Zazwyczaj spotkasz się z oznaczeniami takimi jak: MIC (mikrofon), SPK (głośnik), SW (przycisk otwierania furtki), MASS (masa lub wspólny przewód). Każdy z nich ma swoje konkretne miejsce. Użyj miernika napięcia, aby upewnić się, że wszystko jest podłączone poprawnie i bezpiecznie. Precyzja jest tu kluczowa.
Krok 5: Instalacja i podłączenie zasilacza oraz elektrozaczepu
Kolejnym krokiem jest instalacja zasilacza i elektrozaczepu. Zasilacz, najczęściej pracujący na napięciu 12V AC/DC, musi być podłączony zgodnie ze schematem. Pamiętaj o bezpieczeństwie podczas pracy z prądem. Elektrozaczep, który zamontowany jest w furtce lub drzwiach, również wymaga prawidłowego podłączenia. Błędne podłączenie może skutkować tym, że furtka nie będzie się otwierać lub zaczep będzie działał nieprawidłowo. Ponownie, schemat producenta jest Twoim najlepszym przyjacielem.
Krok 6: Montaż unifonu wewnątrz domu i finalne uruchomienie
Ostatni etap montażu to instalacja unifonu wewnątrz domu. Po zamocowaniu obudowy, podłącz pozostałe przewody zgodnie ze schematem. Gdy wszystko jest podłączone, czas na uruchomienie systemu. Po włączeniu zasilania, przetestuj wszystkie funkcje: dzwonek, komunikację głosową i otwieranie furtki. Jeśli wszystko zostało wykonane poprawnie, Twój nowy domofon jest gotowy do pracy!
Wymiana słuchawki (unifonu) w bloku jak to zrobić
Jak zidentyfikować typ instalacji w Twoim mieszkaniu (2, 4, 5 czy 6-żyłowa)?
Wymiana unifonu w bloku jest zazwyczaj prostsza niż instalacja od zera, ale wymaga dokładnego zidentyfikowania istniejącej instalacji. Kluczem są przewody podłączone do starej słuchawki. Policz je czy jest ich 2, 4, 5, czy może 6? Ta liczba określa typ systemu (np. 2-żyłowy cyfrowy, czy starszy analogowy 4, 5 lub 6-żyłowy). Informacja ta jest absolutnie fundamentalna, ponieważ bez niej nie dobierzesz prawidłowo nowego urządzenia.
Dobór nowego unifonu dlaczego kompatybilność z centralką jest kluczowa?
Kupując nowy unifon do bloku, musisz mieć pewność, że będzie on kompatybilny z centralą domofonową zainstalowaną w całym budynku. Producenci tacy jak Cyfral, Laskomex czy Urmet często stosują systemy, które wymagają dedykowanych unifonów. Podłączenie niekompatybilnego urządzenia może po prostu nie działać, a w skrajnych przypadkach nawet uszkodzić istniejącą instalację. Zawsze sprawdzaj specyfikację techniczną nowego unifonu i porównuj ją z informacjami o systemie stosowanym w Twoim bloku.
Bezpieczna deinstalacja starej słuchawki metoda na "zdjęcie i przepisanie kabelków"
Zanim odłączysz starą słuchawkę, upewnij się, że masz odłączone zasilanie, jeśli jest to możliwe (czasem w blokach jest ono wspólne i trudno je odciąć lokalnie). Następnie, co jest absolutnie kluczowe, zrób zdjęcie sposobu podłączenia przewodów do starego unifonu. Ta prosta czynność, którą nazywam "zdjęciem i przepisaniem kabelków", uchroni Cię przed pomyłkami przy podłączaniu nowego urządzenia. Po zrobieniu zdjęcia, możesz ostrożnie odłączyć przewody od zacisków.
Podłączanie nowego unifonu praktyczne porady i ustawianie zworek
Teraz, bazując na zrobionym zdjęciu i schemacie nowego unifonu, podłącz przewody do odpowiednich zacisków. Upewnij się, że każde połączenie jest pewne i dobrze dokręcone. Niektóre nowe unifony posiadają również zworki konfiguracyjne, które służą do ustawienia parametrów pracy systemu. Jeśli Twój nowy unifon je posiada, zapoznaj się z instrukcją producenta i ustaw je zgodnie z zaleceniami dla Twojego typu instalacji. To często pomijany krok, a może decydować o prawidłowym działaniu.
Uruchomienie i testowanie domofonu
Test dzwonka i komunikacji dwustronnej co jeśli nic nie słychać?
Po zakończeniu montażu przychodzi czas na testy. Zacznij od sprawdzenia, czy po naciśnięciu przycisku dzwonka na kasecie zewnętrznej, słychać sygnał w unifonie. Następnie przetestuj komunikację dwustronną czy dobrze słyszysz rozmówcę i czy on słyszy Ciebie. Jeśli nie słychać nic, sprawdź przede wszystkim poprawność podłączenia przewodów zgodnie ze schematem. Upewnij się, że wszystkie połączenia są pewne. Czasem problemem może być również regulacja głośności w unifonie lub uszkodzony przewód.
Sprawdzanie elektrozaczepu co zrobić, gdy furtka się nie otwiera?
Kolejnym ważnym testem jest sprawdzenie działania elektrozaczepu. Naciśnij przycisk otwierania furtki na unifonie i sprawdź, czy mechanizm zadziałał. Jeśli furtka się nie otwiera, przyczyną może być brak zasilania na elektrozaczepie (sprawdź zasilacz i jego podłączenie) lub błędne podłączenie samych przewodów do elektrozaczepu. Czasem elektrozaczep może być po prostu uszkodzony lub źle wyregulowany.Regulacja głośności i czułości mikrofonu jak dostroić system?
Po podstawowych testach warto dostroić system. Wiele unifonów pozwala na regulację głośności dzwonka oraz głośności rozmowy. Niektóre modele kasety zewnętrznej również posiadają regulację czułości mikrofonu. Dostosuj te parametry do swoich potrzeb, tak aby komunikacja była wyraźna i komfortowa, a dźwięki nie były zbyt głośne ani zbyt ciche.

Przeczytaj również: Jak działa domofon w bloku? Mechanizm, typy i awarie
Najczęstsze błędy i problemy podczas montażu domofonu
Problem: Domofon buczy lub piszczy gdzie szukać przyczyny?
Buczenie lub piszczenie w słuchawce domofonu to dość częsty problem, który może mieć kilka przyczyn. Najczęściej wynika on z zakłóceń elektrycznych w instalacji, problemów z uziemieniem lub uszkodzonych przewodów. Czasami przyczyną może być również wadliwy komponent, na przykład sam unifon lub zasilacz. Warto sprawdzić, czy w pobliżu nie ma silnych źródeł zakłóceń elektromagnetycznych.
Problem: Brak reakcji po naciśnięciu przycisku dzwonka diagnoza krok po kroku
Gdy domofon nie reaguje na naciśnięcie przycisku dzwonka, należy przeprowadzić systematyczną diagnozę. Zacznij od sprawdzenia zasilania całego systemu czy zasilacz jest podłączony i działa poprawnie. Następnie sprawdź sam przycisk w kasecie zewnętrznej czy nie jest uszkodzony. Kolejnym krokiem jest weryfikacja okablowania między kasetą a unifonem. Na końcu sprawdź sam unifon czy nie jest uszkodzony lub nieprawidłowo podłączony.
Problem: Nieprawidłowe działanie elektrozaczepu najczęstsze pomyłki w podłączeniu
Nieprawidłowe działanie elektrozaczepu to zazwyczaj efekt jednej z kilku typowych pomyłek w podłączeniu. Najczęściej jest to błędne podłączenie przewodów zasilających elektrozaczep zamiana biegunowości lub podłączenie do niewłaściwego źródła napięcia. Innym częstym błędem jest pomylenie przewodów sterujących elektrozaczepem z przewodami sygnałowymi domofonu. Zawsze porównuj podłączenie z instrukcją producenta.
Kiedy wezwać fachowca? Sygnały, że dalsze próby mogą pogorszyć sprawę
Choć samodzielny montaż domofonu jest możliwy, istnieją sytuacje, w których lepiej zwrócić się o pomoc do profesjonalisty. Jeśli po kilku próbach diagnozy problem nadal występuje, a Ty nie jesteś pewien, co robisz, dalsze majsterkowanie może pogorszyć sytuację. Szczególnie jeśli masz do czynienia ze skomplikowaną, starą instalacją lub brakuje Ci podstawowej wiedzy elektrycznej. Pamiętaj, że koszt usług fachowca, który waha się od 300 do 500 zł za montaż, a stawka godzinowa to około 100-200 zł, może być inwestycją w spokój i pewność, że system będzie działał prawidłowo.
