Wybór odpowiedniego kabla do domofonu i elektrozaczepu to kluczowa decyzja, która wpływa na niezawodność i funkcjonalność całego systemu. Ten artykuł dostarczy Ci kompleksowej wiedzy na temat typów przewodów, ich parametrów oraz praktycznych wskazówek, które pozwolą uniknąć kosztownych błędów instalacyjnych.
Wybór odpowiedniego kabla do domofonu i elektrozaczepu zależy od typu systemu i odległości
- Skrętka komputerowa (UTP/FTP kat. 5e+) to uniwersalny wybór dla domofonów i wideodomofonów, oferujący 8 żył.
- Do elektrozaczepu zawsze używaj osobnego przewodu o przekroju min. 2x0,75 mm², a przy większych odległościach nawet 2x1,0-1,5 mm², aby zminimalizować spadki napięcia.
- Liczba żył zależy od systemu: 4-6 dla domofonu audio, minimum 8 dla wideodomofonu (najlepiej skrętka).
- Kabel ziemny (żelowany lub w peszlu) jest niezbędny do instalacji zewnętrznych, chroniąc przed wilgocią i uszkodzeniami.
- Zawsze sprawdzaj dokumentację techniczną (DTR) urządzeń, aby dobrać kabel zgodnie z zaleceniami producenta.
- Unikaj zasilania elektrozaczepu cienkimi żyłami komunikacyjnymi, co jest jednym z najczęstszych błędów instalacyjnych.
Czym grozi pomyłka? Najczęstsze problemy wynikające ze złego okablowania
Jako instalator z doświadczeniem, widziałem wiele problemów, które wynikały z pozornie drobnego błędu złego doboru kabla. To, co na początku wydaje się oszczędnością, szybko przeradza się w frustrację i dodatkowe koszty. Niewłaściwy przewód może całkowicie zrujnować funkcjonalność nawet najlepszego systemu domofonowego. Najczęściej spotykane problemy to niestabilne działanie elektrozaczepu, zakłócenia w transmisji audio i wideo, a w skrajnych przypadkach nawet brak jakiejkolwiek komunikacji. Pamiętaj, że spadki napięcia na zbyt cienkich żyłach mogą prowadzić do tego, że elektrozaczep nie będzie się otwierał lub będzie działał z opóźnieniem, co jest niezwykle irytujące dla użytkownika. Co gorsza, długotrwałe przeciążenie kabla może doprowadzić do jego uszkodzenia, a nawet do awarii podłączonych urządzeń, narażając Cię na niepotrzebne wydatki.
- Niestabilne działanie elektrozaczepu: rygiel nie otwiera się za każdym razem, otwiera się z opóźnieniem lub "brzęczy" zamiast działać płynnie.
- Spadki napięcia: zbyt cienki kabel nie jest w stanie dostarczyć wystarczającej mocy, zwłaszcza na dłuższych odcinkach.
- Zakłócenia w transmisji audio/wideo: szumy w słuchawce, zniekształcony obraz lub jego całkowity brak w wideodomofonach.
- Brak komunikacji: system w ogóle nie działa, brak połączenia między panelem zewnętrznym a unifonem/monitorem.
- Uszkodzenie sprzętu: przegrzewanie się kabli lub elementów domofonu/wideodomofonu, prowadzące do ich awarii.
- Konieczność kosztownych poprawek: wymiana kabla po zakończonej instalacji to zazwyczaj kucie ścian i dodatkowy bałagan.
Domofon analogowy a wideodomofon cyfrowy: jak technologia wpływa na wymagania wobec przewodu?
W dzisiejszych czasach mamy do czynienia z dwoma głównymi typami systemów domofonowych: analogowymi i cyfrowymi (w tym IP). Różnice w technologii mają bezpośrednie przełożenie na wymagania dotyczące okablowania. Domofony analogowe, choć wciąż popularne, zwłaszcza w starszych instalacjach, są zazwyczaj mniej wymagające. Do podstawowej komunikacji audio potrzebują zazwyczaj od 4 do 6 żył, w zależności od liczby funkcji (np. otwieranie furtki, bramy). Transmisja sygnału jest prostsza, a wymagania co do jakości kabla nie są tak restrykcyjne.
Z kolei wideodomofony cyfrowe, a zwłaszcza systemy IP, to zupełnie inna bajka. Tutaj mamy do czynienia z transmisją danych, obrazu w wysokiej rozdzielczości, a często także z zasilaniem PoE (Power over Ethernet). To wszystko sprawia, że są one znacznie bardziej wymagające pod względem liczby żył i jakości kabla. Do transmisji wideo i danych potrzebujemy stabilnego łącza, a do zasilania odpowiedniego przekroju. Właśnie dlatego skrętka komputerowa, zwłaszcza kategorii 5e lub 6, jest idealnym rozwiązaniem dla wideodomofonów. Jej konstrukcja, składająca się z czterech par skręconych żył, doskonale radzi sobie z przesyłaniem wielu sygnałów jednocześnie, minimalizując zakłócenia i zapewniając stabilną pracę systemu.

Rodzaje kabli na polskim rynku: wybierz świadomie
Rozpoczynając projekt instalacji domofonowej, musimy podjąć świadomą decyzję o wyborze kabla. Na rynku dostępne są różne typy przewodów, a każdy z nich ma swoje zastosowanie i specyfikę. Moje doświadczenie podpowiada, że warto zainwestować w rozwiązanie, które zapewni niezawodność na lata.
Skrętka komputerowa (UTP/FTP kat. 5e/6): uniwersalny i przyszłościowy wybór
Jeśli miałbym polecić jeden, uniwersalny kabel do większości instalacji domofonowych i wideodomofonowych, byłaby to bez wątpienia skrętka komputerowa UTP lub FTP kategorii 5e lub 6. To rozwiązanie, które sprawdza się w niemal każdej sytuacji, oferując wiele korzyści:
- Łatwa dostępność: Skrętka jest powszechnie dostępna w każdym sklepie elektrycznym czy budowlanym.
- Stosunkowo niska cena: W porównaniu do specjalistycznych kabli domofonowych, skrętka jest często bardziej ekonomiczna.
- Posiadanie 8 żył (4 pary): To ogromna zaleta! Daje nam duży zapas na przyszłe rozbudowy systemu, podłączenie dodatkowych funkcji (np. sterowanie bramą, dodatkowy przycisk) bez konieczności kucia ścian.
- Odporność na zakłócenia: Skręcone pary żył minimalizują zakłócenia elektromagnetyczne, co jest kluczowe dla stabilnej transmisji sygnałów audio i wideo.
- Uniwersalność: Idealna do systemów analogowych, cyfrowych, a zwłaszcza IP, gdzie może służyć do przesyłania danych i zasilania PoE.
Tradycyjne przewody telekomunikacyjne (YTDY): kiedy wciąż mają sens?
Przewody telekomunikacyjne typu YTDY to klasyka, która wciąż znajduje zastosowanie, choć coraz rzadziej jako podstawowy kabel do nowych instalacji. Są to przewody o mniejszej liczbie żył (np. 4, 6, 8, 10) i zazwyczaj o przekroju 0,5 mm² lub 0,8 mm². Mogą być odpowiednie dla bardzo prostych, analogowych systemów domofonowych, gdzie nie ma dużych wymagań co do transmisji danych czy wideo. W przypadku wymiany starej instalacji, gdzie istniejące peszle są zbyt ciasne na skrętkę, YTDY może być kompromisem, ale zawsze z myślą o ograniczeniach.
Specjalistyczne kable domofonowe (YnTKSY): czy warto w nie inwestować?
Na rynku dostępne są również specjalistyczne kable domofonowe, takie jak YnTKSY. Zostały one zaprojektowane z myślą o systemach domofonowych, oferując odpowiednią liczbę żył i czasem dodatkowe ekranowanie. Jednakże, z mojego punktu widzenia, często skrętka komputerowa okazuje się bardziej uniwersalnym, przyszłościowym i ekonomicznym rozwiązaniem, zwłaszcza biorąc pod uwagę jej dostępność i możliwość wykorzystania w systemach IP.
Kabel ziemny (żelowany lub w peszlu): absolutna konieczność instalacji zewnętrznej
To jest niezwykle ważny aspekt, który często bywa bagatelizowany, a konsekwencje mogą być opłakane. Jeśli przewód ma być położony w ziemi na przykład od domu do furtki czy bramy absolutnie konieczne jest zastosowanie kabla ziemnego (np. YKY, XzTKMXpw) lub umieszczenie standardowego kabla (jak UTP) w specjalnej, solidnej rurze osłonowej, czyli peszlu. Kabel ziemny jest przystosowany do pracy w trudnych warunkach, odporny na wilgoć, niskie temperatury i uszkodzenia mechaniczne. Coraz popularniejszym i bardzo dobrym rozwiązaniem jest również żelowana skrętka ziemna, która łączy zalety skrętki z odpornością na warunki gruntowe. Nigdy nie układaj zwykłego kabla wewnętrznego bezpośrednio w ziemi to proszenie się o kłopoty i szybką awarię instalacji.
Kluczowe parametry kabla: przekrój i liczba żył
Po wyborze typu kabla, musimy skupić się na jego parametrach. Dwa najważniejsze to liczba żył i ich przekrój. To one decydują o tym, czy nasz system będzie działał prawidłowo i bez zakłóceń.
Ile żył naprawdę potrzebujesz? Minimum dla audio, wideo i funkcji dodatkowych
Liczba potrzebnych żył zależy bezpośrednio od złożoności systemu domofonowego i planowanych funkcji. Zawsze radzę myśleć przyszłościowo i zostawić sobie pewien zapas, jeśli to tylko możliwe.
-
Domofon audio (analogowy, prosty):
- Zazwyczaj od 4 do 6 żył: 2 żyły do komunikacji audio, 2 żyły do sterowania elektrozaczepem, ewentualnie dodatkowe 2 żyły do sterowania bramą lub innymi funkcjami.
-
Wideodomofon (analogowy):
- Minimum 4 żyły do transmisji wideo i zasilania monitora.
- Dodatkowe 2 żyły do sterowania elektrozaczepem.
- Kolejne 2 żyły do sterowania bramą (jeśli jest taka funkcja).
- W sumie często potrzebne jest 6-8 żył.
-
Wideodomofon IP (cyfrowy):
- Zazwyczaj wystarczy jedna skrętka komputerowa (8 żył), która służy do transmisji danych, wideo, audio i zasilania PoE (jeśli system to obsługuje).
- Nadal jednak do elektrozaczepu zalecam osobny przewód zasilający, o czym powiem za chwilę.
Grubość ma znaczenie: jak przekrój żyły wpływa na spadki napięcia i działanie systemu?
To jest jeden z najważniejszych aspektów, o którym wielu zapomina. Przekrój żyły ma bezpośredni wpływ na opór elektryczny kabla. Im dłuższy kabel i im mniejszy jego przekrój, tym większy opór, a co za tym idzie większe spadki napięcia. W praktyce oznacza to, że na końcu długiego, zbyt cienkiego kabla, napięcie może być już na tyle niskie, że urządzenia nie będą działać prawidłowo. Jest to szczególnie krytyczne dla elektrozaczepu, który do prawidłowego zadziałania potrzebuje sporej dawki prądu w krótkim czasie. Zbyt cienkie żyły mogą prowadzić do niestabilnej pracy elektrozaczepu, a nawet do jego całkowitego braku reakcji.
Złota zasada: dlaczego 8 żył w skrętce to dziś najbezpieczniejszy standard?
Podsumowując, jeśli tylko masz taką możliwość, zawsze rekomenduję użycie 8-żyłowej skrętki komputerowej (UTP/FTP). Dlaczego? To proste: daje Ci ona ogromną elastyczność. Nawet jeśli dziś potrzebujesz tylko 4 żył do prostego domofonu, za kilka lat możesz chcieć wymienić go na wideodomofon, dodać sterowanie bramą czy inne funkcje. Mając 8 żył, masz pewność, że bez problemu podłączysz niemal każde nowoczesne urządzenie, a także zapewnisz sobie zapas na przyszłe rozbudowy systemu bez konieczności kucia ścian i wymiany okablowania. To inwestycja w spokój i przyszłość Twojej instalacji.

Elektrozaczep: jak dobrać kabel do najbardziej wymagającego elementu?
Elektrozaczep to prawdziwy "pożeracz prądu" w instalacji domofonowej. To on, w momencie otwierania, pobiera największy impuls prądowy. Ignorowanie tego faktu to jeden z najczęstszych błędów, który prowadzi do niestabilnej pracy całego systemu. Zadbaj o niego, a reszta instalacji będzie działać bez zarzutu.
Dlaczego elektrozaczep wymaga grubszego przewodu? Analiza poboru prądu
Jak już wspomniałem, elektrozaczep, w przeciwieństwie do reszty elementów domofonu, wymaga krótkiego, ale intensywnego impulsu prądowego do zwolnienia rygla. Jest to element o największym chwilowym poborze prądu w całej instalacji domofonowej. Jeśli przewód zasilający elektrozaczep będzie zbyt cienki, jego opór spowoduje znaczny spadek napięcia, zwłaszcza na dłuższych odcinkach. W efekcie, do elektrozaczepu dotrze zbyt niskie napięcie, co objawi się jego niestabilną pracą rygiel może się nie otwierać, "brzęczeć" lub działać z opóźnieniem. Dlatego tak kluczowe jest zastosowanie przewodu o odpowiednio dużym przekroju, aby zminimalizować te spadki i zapewnić prawidłowe, niezawodne działanie rygla.
Jaki przekrój kabla do rygla wybrać w zależności od odległości od zasilacza?
Dobór przekroju kabla do elektrozaczepu jest ściśle związany z odległością od zasilacza. Im dłuższa trasa, tym grubszy przewód jest potrzebny, aby skompensować spadki napięcia. Oto moje rekomendacje:
| Odległość od zasilacza | Zalecany przekrój kabla (dwużyłowy) |
|---|---|
| Do 30 metrów | 2x0,75 mm² |
| 30-50 metrów | 2x1,0 mm² |
| Powyżej 50 metrów | 2x1,5 mm² |
Praktyczna porada: prowadzenie osobnego, dwużyłowego kabla zasilającego do furtki
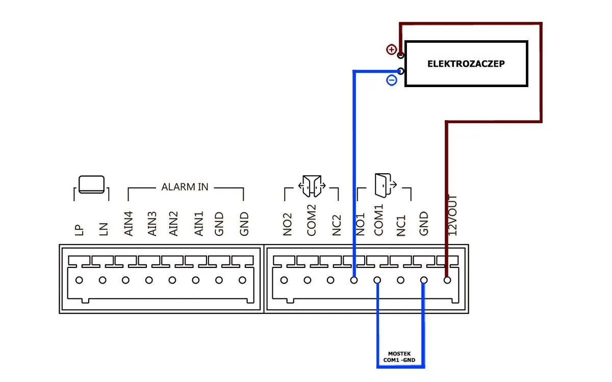
To jest złota zasada, którą zawsze powtarzam moim klientom i każdemu, kto zajmuje się instalacją domofonową: zawsze należy prowadzić osobny, dwużyłowy kabel zasilający o odpowiednio grubszym przekroju (np. 1,0 mm² lub 1,5 mm²) bezpośrednio z zasilacza domofonu do elektrozaczepu. Podkreślam to raz jeszcze: nie zaleca się zasilania elektrozaczepu przez te same cienkie żyły (np. 0,5 mm²), które służą do komunikacji w skrętce czy przewodzie domofonowym. Takie rozwiązanie prowadzi do problemów ze spadkami napięcia i niestabilną pracą rygla. Osobny, dedykowany przewód to gwarancja niezawodności.
Elektrozaczep standardowy, rewersyjny, z pamięcią: czy rodzaj rygla zmienia wymagania?
Istnieją różne typy elektrozaczepów: standardowe (rygiel otwarty po podaniu prądu), rewersyjne (rygiel otwarty bez prądu, zamyka się po podaniu prądu), z pamięcią (po jednorazowym impulsie pozostaje otwarty do momentu otwarcia drzwi) czy z wyłącznikiem. Choć zasada działania jest inna, każdy z nich wymaga odpowiedniego zasilania. Różnice mogą dotyczyć głównie charakterystyki poboru prądu (np. stały pobór w rewersyjnych, impulsowy w standardowych z pamięcią). Dlatego zawsze, absolutnie zawsze, należy sprawdzić dokumentację techniczną (DTR) elektrozaczepu. Znajdziesz tam precyzyjne informacje o wymaganym napięciu, poborze prądu i zaleceniach dotyczących okablowania, co pozwoli dobrać odpowiedni zasilacz i przekrój kabla.
Praktyczny przewodnik: jaki kabel wybrać w konkretnych sytuacjach?
Teoria to jedno, ale praktyka to drugie. Przyjrzyjmy się kilku typowym scenariuszom, aby pomóc Ci podjąć najlepszą decyzję.
Scenariusz 1: Prosty domofon w domu jednorodzinnym (odległość do 30m)
Dla prostego domofonu audio w domu jednorodzinnym, gdzie odległość od panelu zewnętrznego do unifonu w domu nie przekracza 30 metrów, moje rekomendacje są następujące: do komunikacji audio i ewentualnych dodatkowych funkcji (np. sterowanie bramą) zastosuj skrętkę UTP kat. 5e (8 żył). Zapewni to zapas na przyszłość i stabilną transmisję. Natomiast do zasilania elektrozaczepu, bezwzględnie poprowadź osobny dwużyłowy przewód o przekroju 2x0,75 mm² bezpośrednio z zasilacza domofonu do furtki. To połączenie zapewni niezawodne działanie rygla.
Scenariusz 2: Nowoczesny wideodomofon IP w nowym budownictwie (furtka + brama)
W przypadku nowoczesnego wideodomofonu IP w nowym budownictwie, gdzie planujesz sterowanie zarówno furtką, jak i bramą, a odległości mogą być większe, postaw na rozwiązania przyszłościowe. Do transmisji danych, wideo i audio zastosuj skrętkę FTP kat. 6 ekranowanie zapewni lepszą odporność na zakłócenia, co jest kluczowe dla jakości obrazu i stabilności sieci. Jeśli chodzi o elektrozaczep, poprowadź osobny dwużyłowy przewód o przekroju 2x1,0 mm², a jeśli odległość przekracza 50 metrów, rozważ nawet 2x1,5 mm². Dodatkowo, do sterowania bramą, jeśli nie jest ona zintegrowana z systemem IP, możesz potrzebować kolejnego dwużyłowego przewodu o przekroju 2x0,75 mm². Taka instalacja będzie nie tylko niezawodna, ale też gotowa na ewentualne rozbudowy.
Scenariusz 3: Wymiana starej instalacji w bloku mieszkalnym
Wymiana starej instalacji w bloku mieszkalnym to często wyzwanie ze względu na istniejącą, często już ciasną infrastrukturę. Jeśli stare przewody są w dobrym stanie i mają wystarczającą liczbę żył, można rozważyć ich ponowne wykorzystanie dla prostych systemów audio. Jednak zawsze zalecam, aby jeśli to tylko możliwe, wymienić okablowanie na skrętkę UTP kat. 5e lub, jeśli ciasnota peszli na to nie pozwala, na przewody YTDY o odpowiedniej liczbie żył (np. 6 lub 8). Kluczowe jest jednak to, aby do elektrozaczepu zawsze poprowadzić osobny przewód o przekroju minimum 2x0,75 mm², nawet jeśli wiąże się to z dodatkowym kłuciem. To najczęstszy problem w starych instalacjach, gdzie rygiel jest zasilany zbyt cienkimi żyłami, co prowadzi do jego wadliwego działania.
Najczęstsze błędy w instalacji domofonowej: jak ich uniknąć?
Po wielu latach pracy w branży, widziałem powtarzające się błędy, które można łatwo uniknąć, mając odpowiednią wiedzę. Chcę się z Tobą podzielić tymi najczęstszymi, abyś mógł ich uniknąć.
Błąd nr 1: Zasilanie elektrozaczepu cienką żyłą ze skrętki
To jest chyba najpowszechniejszy i najbardziej brzemienny w skutki błąd. Wielu instalatorów, chcąc zaoszczędzić czas lub materiał, decyduje się na zasilanie elektrozaczepu jedną z cienkich żył (zazwyczaj 0,5 mm²) znajdujących się w skrętce komputerowej, która służy do komunikacji. Jak już wielokrotnie podkreślałem, elektrozaczep potrzebuje znacznie większego prądu niż inne elementy domofonu. Cienka żyła nie jest w stanie dostarczyć odpowiedniej mocy bez znacznych spadków napięcia, co prowadzi do niestabilnej pracy rygla, jego "brzęczenia", a nawet całkowitego braku otwierania. Długotrwałe przeciążenie może również uszkodzić sam kabel lub zasilacz. Pamiętaj: zawsze osobny, gruby kabel bezpośrednio z zasilacza do elektrozaczepu!
Błąd nr 2: Układanie zwykłego kabla wewnętrznego bezpośrednio w ziemi
Kolejny często popełniany błąd to traktowanie każdego kabla tak samo, niezależnie od miejsca jego ułożenia. Zwykły kabel wewnętrzny, nieprzystosowany do warunków zewnętrznych, ułożony bezpośrednio w ziemi, jest narażony na szereg czynników, które szybko doprowadzą do jego uszkodzenia. Wilgoć, zmiany temperatury, uszkodzenia mechaniczne (np. przez gryzonie, narzędzia ogrodowe) oraz korozja sprawią, że przewód straci swoje właściwości izolacyjne i przewodzące. To z kolei prowadzi do zwarć, przerw w obwodzie i całkowitej awarii systemu. Zawsze używaj kabli ziemnych (np. YKY, XzTKMXpw) lub zabezpiecz standardowy kabel w solidnym, szczelnym peszlu, aby zapewnić mu długą żywotność i niezawodność.
Przeczytaj również: Jaki domofon do furtki? Wybierz idealny wideodomofon do domu!
Błąd nr 3: Ignorowanie zaleceń producenta urządzenia (DTR)
Dokumentacja Techniczno-Ruchowa (DTR) to nie jest tylko zbiór papierów do odłożenia na półkę. To skarbnica wiedzy o Twoim urządzeniu! Zarówno domofon, wideodomofon, jak i elektrozaczep posiadają swoją DTR, w której producent precyzyjnie określa wymagania dotyczące zasilania, okablowania, maksymalnych odległości i specyfikacji technicznej. Ignorowanie tych zaleceń to prosta droga do nieprawidłowego działania systemu, a w skrajnych przypadkach nawet do utraty gwarancji. Zawsze poświęć chwilę na zapoznanie się z DTR-ką przed rozpoczęciem instalacji. To pozwoli Ci uniknąć wielu problemów i zapewnić, że Twój system będzie działał zgodnie z przeznaczeniem i przez długie lata.
